- Home page\
- FRENI\
- pastiglie e dischi\
- dischi freno anteriori
dischi freno anteriori
Tutti questi dischi freno auto sono di primo impianto originale. Il nostro listino prezzi dischi freno auto è molto competitivo, con costi sostanzialmente più bassi rispetto all'originale.
I dischi freno vengono spediti in 24 ore con un costo di spedizione di 6,99 Euro.
Quando bisogna cambiare i dischi freno?
In media ogni 2 cambi di pastiglie, cioè all'incirca ogni 40,000 chilometri. L'usura è accentuata e determinata dallo stile di guida della vettura, dalle strade percorse e dalla portata in termini di peso della vettura. È necessario controllare l’usura dei freni a disco perché al di sopra di un dato grado di usura diminuisce l’intensità e l’efficacia della frenata.
Come funziona il freno a disco?
Il freno a disco è costituito da un disco d’acciaio corredato da blocchetti di materiale apposito, detti pastiglie. Tale dispositivo è utilizzato allo scopo di rallentare o fermare, tramite la forza d’attrito delle pastiglie, la rotazione delle ruote.
Questo attrito continuo causa un surriscaldamento dei freni a disco che riduce l’efficacia della frenata. Per ridurre il surriscaldamento dei freni a disco, in riferimento alla potenza, al peso e alla dimensione del veicolo, il freno a disco ha bisogno di un buon sistema di raffreddamento.
Tipi di Freni a Disco:
Il freno a disco pieno è utilizzato sulla maggior parte degli autoveicoli. Questo tipo di freno è un disco che presenta una doppia faccia.
Il freno a disco ventilato è composto da due dischi uniti tra di loro in modo tale da lasciare dei canali di dissipazione del calore tra i due dischi. Questa forma di freno a disco rispetto al freno a disco pieno offre una migliore garanzia di raffreddamento e respiro del freno, ed è utilizzato nell’impianto frenante anteriore degli autoveicoli odierni.
Il freno a disco forato presenta dei fori, che hanno la capacità di dissipare maggiormente il calore in caso di prestazioni da corsa. In realtà hanno piuttosto una valenza estetica e di tuning. Questo tipo di prodotto non è presente nel nostro catalogo.
-
[ { "catentry_id" : "832061", "Attributes" : { } } ]Prezzo listino € 25,79 -52,38%Prezzo AUTOZONA € 12,28IVA inclusa
Lamiera paraspruzzi, Disco freno - prodotto di qualità equivalente originale - consegna in 48 ore
-
[ { "catentry_id" : "833584", "Attributes" : { } } ]Prezzo listino € 28,10 -50,00%Prezzo AUTOZONA € 14,05IVA inclusa
Lamiera paraspruzzi, Disco freno - prodotto di qualità equivalente originale - consegna in 48 ore
-
[ { "catentry_id" : "831741", "Attributes" : { } } ]Prezzo listino € 31,94 -52,38%Prezzo AUTOZONA € 15,21IVA inclusa
Lamiera paraspruzzi, Disco freno - prodotto di qualità equivalente originale - consegna in 48 ore
-
[ { "catentry_id" : "832571", "Attributes" : { } } ]Prezzo listino € 31,94 -52,38%Prezzo AUTOZONA € 15,21IVA inclusa
Lamiera paraspruzzi, Disco freno - prodotto di qualità equivalente originale - consegna in 48 ore
-
[ { "catentry_id" : "711243", "Attributes" : { } } ]Prezzo listino € 32,28 -50,00%Prezzo AUTOZONA € 16,14IVA inclusa
Lamiera paraspruzzi, Disco freno Prodotto di qualità equivalente originale - consegna in 48 ore - garanzia 2 anni
- SEAT: 8E0 615 312 A
- VW: 8E0 615 312 A
- Lato montaggio: Assale anteriore Dx
- Superficie: zincato, verniciato a fuoco
- Materiale: Lamiera d'acciaio
- N° articolo appaiato: V10-5057
- Peso [kg]: 0,3
-
[ { "catentry_id" : "711241", "Attributes" : { } } ]Prezzo listino € 32,46 -50,00%Prezzo AUTOZONA € 16,23IVA inclusa
Lamiera paraspruzzi, Disco freno Prodotto di qualità equivalente originale - consegna in 48 ore - garanzia 2 anni
- SEAT: 8E0 615 311 A
- VW: 8E0 615 311 A
- Lato montaggio: Assale anteriore Sx
- Materiale: Lamiera d'acciaio
- N° articolo appaiato: V10-5058
- Superficie: verniciato a fuoco, zincato
- Peso [kg]: 0,3
-
[ { "catentry_id" : "711245", "Attributes" : { } } ]Prezzo listino € 44,65 -49,54%Prezzo AUTOZONA € 22,53IVA inclusa
Lamiera paraspruzzi, Disco freno Prodotto di qualità equivalente originale - consegna in 48 ore - garanzia 2 anni
- SEAT: 8E0 615 311 C
- VW: 8E0 615 311 C
- Lato montaggio: Assale anteriore Sx
- Superficie: zincato, verniciato a fuoco
- Materiale: Lamiera d'acciaio
- N° articolo appaiato: V10-5060
- Peso [kg]: 0,446
-
[ { "catentry_id" : "641341", "Attributes" : { } } ]Prezzo listino € 47,42 -50,00%Prezzo AUTOZONA € 23,71IVA inclusa
Disco freno Prodotto di qualità equivalente originale - consegna in 48 ore - garanzia 2 anni
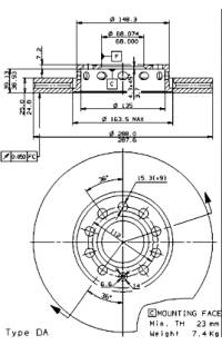
- Diametro [mm]: 245
- Spessore disco freno [mm]: 10
- Spessore min. [mm]: 8
- Tipo disco freno: Pieno
- N° fori: 5
- N° fori 2: 9
- Altezza [mm]: 40
- Diametro centraggio [mm]: 68
- Diametro interno [mm]: 135,5
- Cerchio foro-Ø [mm]: 112
- Alesaggio-Ø [mm]: 15,3
-
[ { "catentry_id" : "711247", "Attributes" : { } } ]Prezzo listino € 55,58 -50,00%Prezzo AUTOZONA € 27,79IVA inclusa
Lamiera paraspruzzi, Disco freno Prodotto di qualità equivalente originale - consegna in 48 ore - garanzia 2 anni
- SEAT: 8E0 615 312 C
- VW: 8E0 615 312 C
- Lato montaggio: Assale anteriore Dx
- Materiale: Lamiera d'acciaio
- Superficie: verniciato a fuoco, zincato
- N° articolo appaiato: V10-5059
- Peso [kg]: 0,444
-
[ { "catentry_id" : "641349", "Attributes" : { } } ]Prezzo listino € 55,86 -50,00%Prezzo AUTOZONA € 27,93IVA inclusa
Disco freno Prodotto di qualità equivalente originale - consegna in 48 ore - garanzia 2 anni
- Diametro [mm]: 255
- Spessore disco freno [mm]: 12
- Spessore min. [mm]: 10
- Tipo disco freno: Pieno
- N° fori: 5
- N° fori 2: 9
- Altezza [mm]: 40
- Diametro centraggio [mm]: 68
- Diametro interno [mm]: 144,5
- Cerchio foro-Ø [mm]: 112
- Alesaggio-Ø [mm]: 15,3
-
[ { "catentry_id" : "642196", "Attributes" : { } } ]Prezzo listino € 59,22 -52,38%Prezzo AUTOZONA € 28,20IVA inclusa
Disco freno - prodotto di qualità equivalente originale - consegna in 48 ore
- Diametro [mm]: 288
- Spessore disco freno [mm]: 12
- Spessore min. [mm]: 10
- Tipo disco freno: Pieno
- N° fori: 5
- Cerchio foro-Ø [mm]: 112
- Altezza [mm]: 36
- Diametro centraggio [mm]: 68
- Diametro interno [mm]: 162
- Alesaggio-Ø [mm]: 15,3
-
[ { "catentry_id" : "522678", "Attributes" : { } } ]Prezzo listino € 85,70 -50,00%Prezzo AUTOZONA € 42,85IVA inclusa
Disco freno della massima qualità disponibile - prodotto originale montato sul primo impianto - consegna in 48 ore
- Diametro esterno [mm]: 288
- Spessore disco freno [mm]: 25
- Spessore min. [mm]: 23
- Altezza [mm]: 46,2
- Cerchione, N° fori: 5
- Tipo disco freno: ventilato
- Diametro centraggio [mm]: 68
- Cerchio foro-Ø [mm]: 112
- Peso [kg]: 7,71
- AUDI: 4A0.615.301C, 8E0.615.301Q, 8E0098301, 8E0098301A
- SEAT: 8E0.615.301Q
- VW: 4A0.615.301C, 4A0.615.301D, 4A0.615.301E, 8E0.615.301Q, 8E0098301A, JZW615301F
-
[ { "catentry_id" : "617018", "Attributes" : { } } ]Prezzo listino € 97,14 -50,00%Prezzo AUTOZONA € 48,57IVA inclusa
Disco freno - prodotto di qualità equivalente originale - consegna in 48 ore
- AUDI: 4A0 615 301 C, 4A0 615 301 D, 4A0 615 301 E, 8E0 615 301 Q
- SEAT: 4A0 615 301 C, 4A0 615 301 D, 4A0 615 315 E, 8E0 615 301 Q
- VW: 4A0 615 301 C, 4A0 615 301 D, 4A0 615 301 E, 8E0 615 301 Q
- Spessore disco freno [mm]: 25
- N° fori fissaggio: 5, 1
- Spessore [mm]: 46,0
- Diametro esterno [mm]: 288,0
- Cerchio foro-Ø [mm]: 112
- Superficie: rivestito
- Tipo disco freno: Autoventilato
- Lato montaggio: Assale anteriore
- Spessore min. [mm]: 23
- Peso [kg]: 7,7
- Diametro centraggio [mm]: 68
- Osservare info manutenzione: 0
-
[ { "catentry_id" : "93696", "Attributes" : { } } ]Prezzo AUTOZONA € 51,15IVA inclusa
Disco freno della massima qualità disponibile - prodotto originale montato sul primo impianto - consegna in 48 ore
- Lato montaggio: Assale anteriore
- per N° PR: 1LB
- VW: 8E0615301Q, 4B0615301B, 4A0615301E, 4A0615301C, 4A0615301D
- SEAT: 8E0615301Q
- AUDI: 4A0615301C, 8E0615301Q
- Tipo disco freno: ventilato, ventilato
- Diametro [mm]: 288
- Spessore disco freno [mm]: 25
- Spessore min. [mm]: 23
- Diametro centraggio [mm]: 68
- Altezza [mm]: 46
- N° fori: 5
- Dimensioni filettatura: 15
- Cerchio foro-Ø [mm]: 112
- Lavorazione/Trattamento: ad alto tenore di carbonio, ad alto tenore di carbonio
- Colore: nero, nero
- Superficie: verniciato, verniciato
-
[ { "catentry_id" : "890917", "Attributes" : { } } ]Prezzo AUTOZONA € 54,36IVA inclusa
Disco freno - prodotto di qualità equivalente originale - consegna in 48 ore
- Cerchio foro-Ø [mm]: 112
- Tipo disco freno: ventilato, Autoventilato
- Superficie: rivestito
- Lavorazione/Trattamento: ad alto tenore di carbonio
- Articolo complementare/Info integrativa 2: con bulloni/viti
-
[ { "catentry_id" : "94003", "Attributes" : { } } ]Prezzo AUTOZONA € 61,74IVA inclusa
Disco freno della massima qualità disponibile - prodotto originale montato sul primo impianto - consegna in 48 ore
- Lato montaggio: Assale anteriore
- per N° PR: 1LT
- SEAT: 4B0698996A, 8E0615301R
- AUDI: 8E0615301R, 8D0615301J, 4B0615301A, 4B0698996A
- VW: 3B0615301B, 8E0615301R, 4B0698996A, 4B0615301C, 4B0615301A, 8D0615301J
- Superficie: verniciato, verniciato
- Tipo disco freno: ventilato, ventilato
- Diametro [mm]: 312
- Spessore disco freno [mm]: 25
- Spessore min. [mm]: 23
- Diametro centraggio [mm]: 68
- Altezza [mm]: 46,5
- N° fori: 9
- Dimensioni filettatura: 13,5
- Cerchio foro-Ø [mm]: 112
- Colore: nero, nero
-
[ { "catentry_id" : "523107", "Attributes" : { } } ]Prezzo AUTOZONA € 61,78IVA inclusa
Disco freno della massima qualità disponibile - prodotto originale montato sul primo impianto - consegna in 48 ore
- Diametro esterno [mm]: 312
- Spessore disco freno [mm]: 25
- Spessore min. [mm]: 23
- Altezza [mm]: 46,5
- Cerchione, N° fori: 5
- Tipo disco freno: ventilato
- Diametro centraggio [mm]: 68
- Cerchio foro-Ø [mm]: 112
- Peso [kg]: 8,76
- AUDI: 4B0.615.301A, 8D0.615.301J, 8E0.615.301R
- SEAT: 8E0.615.301R
- VW: 3B0.615.301B, 4B0.615.301A, 4B0615301C, 8D0.615.301J, 8E0.615.301R
-
[ { "catentry_id" : "207352", "Attributes" : { } } ]Prezzo AUTOZONA € 61,94IVA inclusa
Disco freno - prodotto di qualità originale - consegna in 48 ore
- Lato montaggio: Assale anteriore
- per N° PR: 1LB,1LE
- AUDI: 4A0615301E, 8E0615301Q, 4A0615301C, 4A0615301D
- SEAT: 4A0615301C, 4A0615301D, 8E0615301Q, 4A0615301E
- per n° articolo: 09.5745.21
- Diametro esterno [mm]: 288
- Tipo disco freno: Autoventilato, Autoventilato
- Articolo complementare/Info integrativa 2: con bulloni/viti, con bulloni/viti
- Coppia spunto/serraggio [Nm]: 120
- Diametro [mm]: 288
- N° fori: 5
- Spessore disco freno [mm]: 25
- Diametro centraggio [mm]: 68
- Lavorazione/Trattamento: ad alto tenore di carbonio, ad alto tenore di carbonio
- Spessore min. [mm]: 23
- Superficie: rivestito, rivestito
- Altezza [mm]: 46, 46,2
-
[ { "catentry_id" : "891572", "Attributes" : { } } ]Prezzo AUTOZONA € 63,38IVA inclusa
Disco freno - prodotto di qualità equivalente originale - consegna in 48 ore
- Cerchio foro-Ø [mm]: 112
- Tipo disco freno: ventilato
- Superficie: rivestito
- Lavorazione/Trattamento: ad alto tenore di carbonio
- Articolo complementare/Info integrativa 2: con bulloni/viti
-
[ { "catentry_id" : "608186", "Attributes" : { } } ]Prezzo AUTOZONA € 69,18IVA inclusa
Disco freno - prodotto di qualità equivalente originale - consegna in 48 ore
- AUDI: 8D0 615 301 K, 8D0 615 301 M, 8E0 615 301 AD
- SEAT: 8E0 615 301 AD
- Spessore disco freno [mm]: 30
- N° fori fissaggio: 5, 1
- Spessore [mm]: 46,1
- Diametro esterno [mm]: 320,0
- Cerchio foro-Ø [mm]: 112
- Superficie: rivestito
- Tipo disco freno: Autoventilato
- Lato montaggio: Assale anteriore
- Spessore min. [mm]: 28
- Peso [kg]: 10,23
- Diametro centraggio [mm]: 68
- Osservare info manutenzione: 0
-
[ { "catentry_id" : "523900", "Attributes" : { } } ]Prezzo AUTOZONA € 73,77IVA inclusa
Disco freno della massima qualità disponibile - prodotto originale montato sul primo impianto - consegna in 48 ore
- Diametro esterno [mm]: 320
- Spessore disco freno [mm]: 30
- Spessore min. [mm]: 28
- Altezza [mm]: 46,2
- Cerchione, N° fori: 5
- Tipo disco freno: ventilato
- Diametro centraggio [mm]: 68
- Cerchio foro-Ø [mm]: 112
- Superficie: rivestito
- AUDI: 8D0.615.301K, 8D0.615.301M, 8E0.615.301AD
- SEAT: 8E0615301AD
- Peso [kg]: 10,04
-
[ { "catentry_id" : "207354", "Attributes" : { } } ]Prezzo AUTOZONA € 84,47IVA inclusa
Disco freno - prodotto di qualità originale - consegna in 48 ore
- Lato montaggio: Assale anteriore
- per N° PR: 1LB,1LE
- AUDI: 4A0615301D, 4A0615301E, 4A0615301C, 8E0615301Q
- SEAT: 8E0615301Q, 4A0615301C, 4A0615301D, 4A0615301E
- per n° articolo: 09.5745.76
- Lavorazione/Trattamento: ad alto tenore di carbonio, ad alto tenore di carbonio
- Tipo disco freno: Autoventilato, Autoventilato, Intagliato
- Superficie: rivestito, rivestito
- Coppia spunto/serraggio [Nm]: 120
- Diametro [mm]: 288
- Diametro esterno [mm]: 288
- Articolo complementare/Info integrativa 2: con bulloni/viti, con bulloni/viti
- N° fori: 5
- Spessore disco freno [mm]: 25
- Diametro centraggio [mm]: 68
- Spessore min. [mm]: 23
- Altezza [mm]: 46, 46,2
-
[ { "catentry_id" : "93999", "Attributes" : { } } ]Prezzo AUTOZONA € 94,04IVA inclusa
Disco freno della massima qualità disponibile - prodotto originale montato sul primo impianto - consegna in 48 ore
- Lato montaggio: Assale anteriore
- per N° PR: 1LA
- AUDI: 8E0615301AD, 8D0615301M, 8D0615301K
- SEAT: 8E0615301AD
- Tipo disco freno: ventilato, ventilato
- Diametro [mm]: 321
- Spessore disco freno [mm]: 30
- Spessore min. [mm]: 28
- Diametro centraggio [mm]: 68
- Altezza [mm]: 46,5
- N° fori: 10
- Dimensioni filettatura: 15,3
- Cerchio foro-Ø [mm]: 112
- Colore: nero, nero
- Superficie: verniciato, verniciato
-
[ { "catentry_id" : "893737", "Attributes" : { } } ]Prezzo listino € 220,96 -52,38%Prezzo AUTOZONA € 105,22IVA inclusa
Disco freno - prodotto di qualità equivalente originale - consegna in 48 ore
- Cerchio foro-Ø [mm]: 112
- Tipo disco freno: ventilato, Autoventilato
- Superficie: rivestito
- Lavorazione/Trattamento: ad alto tenore di carbonio
Come funziona il freno a disco
Il freno a disco è costituito da un disco d’acciaio corredato da blocchetti di materiale apposito, detti pastiglie, e tale dispositivo è utilizzato allo scopo di rallentare o fermare, tramite la forza d’attrito delle pastiglie, la rotazione delle ruote.
Questo attrito continuo causa un riscaldamento dei freni a disco che riduce l’efficacia della frenata. Per ridurre il surriscaldamento dei freni a disco, in riferimento alla potenza, al peso e alla dimensione del veicolo, il freno a disco ha bisogno di un buon sistema di raffreddamento
Tipi di Freni a Disco:
- Il freno a disco pieno è utilizzato sulla maggior parte degli autoveicoli. Questo tipo di freno è un disco che presenta una doppia faccia
- Il freno a disco ventilato è composto da due dischi uniti tra di loro in modo tale da lasciare dei canali di dissipazione del calore tra i due dischi. Questa forma di freno a disco rispetto al freno a disco pieno offre una migliore garanzia di raffreddamento e respiro del freno, ed è utilizzato nell’impianto frenante anteriore degli autoveicoli odierni.
- Il freno a disco margherita è una forma di disco dal profilo particolare, intagliato in modo tale da emulare l’aspetto di una margherita. I nuovi angoli creatisi nel bordo della piatto frenante permettono un migliore lavoro delle pastiglie e pertanto una maggiore efficienza nella frenata. Questa forma di freno è diffuso esclusivamente nelle moto
I freni a disco sono soggetti all’usura che è accentuata e determinata dallo stile di guida della vettura, dalle strade percorse e dalla portata in termini di peso della vettura. È necessario controllare l’usura dei freni a disco perché al di sopra di un dato grado di usura diminuisce l’intensità e l’efficacia della frenata.


